A water pump’s access cover was destroyed during a freeze. I designed this replacement part out of aluminum, with an o ring groove and steel press fit bushings to ensure a tight seal.
This part was made on a CNC mill. The 4 corner holes were tapped on the original cover, but were changed to accept press fit bushings
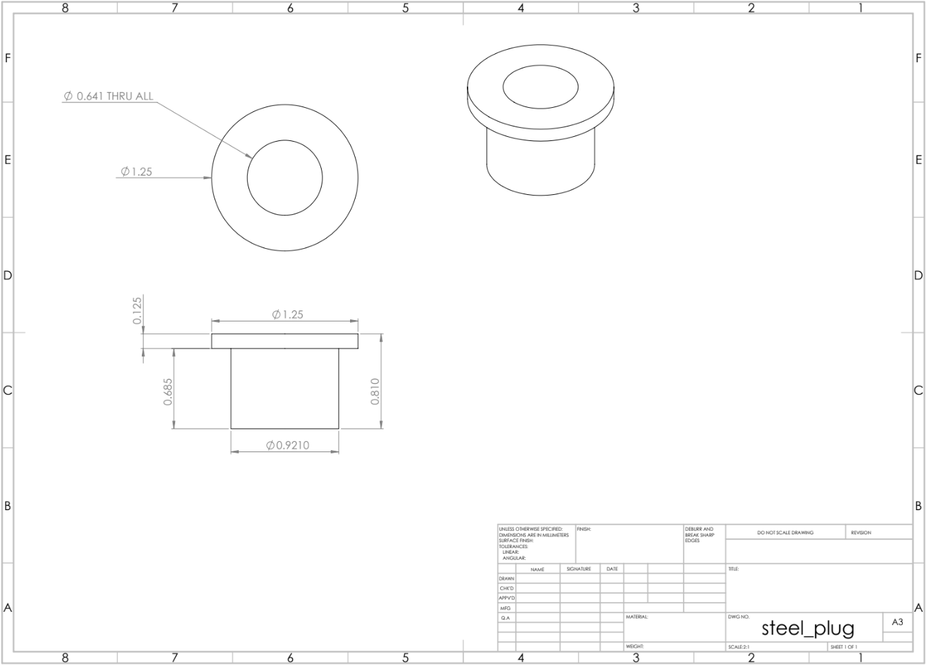
I made these press fit bushings on a manual lathe
Finished base section with slots for fins
Fins welded on. Based on the original access cover, these seem to help with turbulence in the pump.